产品介绍
楼宇景观水净化处理
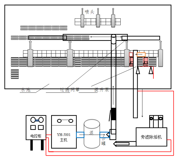
4、楼宇景观水净化处理
4.1、产品介绍
YH-J001景观水处理设备是一款采用物理方式、自主研发高效去除工业、生活污水(COD、BOD、氨氮、藻类、微生物等)指标方面的污水处理产品。
该产品是以高压电解产生高浓度羟基后再以高效混合处理技术为核心工艺的低能耗、高效率污水处理装置。可单独或辅助生化、活性炭、生物膜处理而后处理的装置。它广泛的吸收了当今最先进的污水处理技术,综合了各类低浓度有机污水处理工艺的优点,集气水混合技术、水分子切割、接触氧化、等多种新技术于一体,形成YH-J001工艺独特的复合污水处理技术。
YH-J001在能量的利用率,氧气的转化率,微生物的生化降解能力方面同时得到提升,使得污水中的有机物在更低的能耗条件下得到高效率的去除。整个处理单元由主机、混合装置、阻垢装置、自动控制器等部件组成,可高效过滤水中的各类杂质、悬浮物,并快速杀灭藻类及微生物。







